欢迎访问陕西渭华干部学院官网!
首页
院校概况
新闻中心
教育培训
科研成果
师资队伍
学员天地
学习园地
首页
/
新闻中心
/
通知公告
/
正文
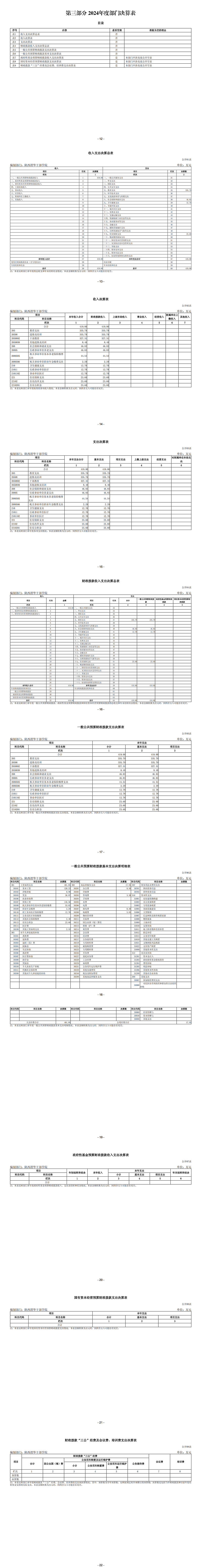
陕西渭华干部学院2024年度部门决算
来源:陕西渭华干部学院
发布时间:2025-09-15 16:53
浏览次数:
打印
保存
字体:
大
中
小
陕西渭华干部学院2024年度部门决算.pdf
网络编辑:陕西渭华干部学院
分享:
扫一扫在手机查看当前页